Characteristics and Applications
● Static torque sensor
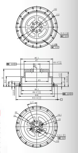
● Compact structure for easy installation
● Protection level: IP65
● Used for measuring static, non-continuous rotational torque values.

Rated range | Nominal (rated) torque Mnom | 250N.m |
Output sensitivity | Nominal (rated) sensitivity | 2.0±20%mV/V |
Zero output | Zero balance | ±0.05mV/V |
| Nonlinearity | Non-linearity | 0.5%F.S. |
| Hysteresis | Hysteresis | 0.5%F.S. |
| Repeatability | Repeatability | 0.3%F.S. |
| Creep (30 minutes) | Creep(5min) | 0.3%F.S. |
| Temperature coefficient of sensitivity drift | Temp.effect on output | 0.05%F.S./10℃ |
| Temperature coefficient of zero drift | Temp.effect on zero | 0.05%F.S./10℃ |
| Input resistance | Input impedance | 2000±20Ω |
Output resistance | Output impedance | 2000±10Ω |
Insulation resistance | Insulation | ≥5000MΩ/100VDC |
Excitation voltage | Recommended excitation | 5~12V |
Maximum excitation voltage | Maximum excitation | 15V |
Temperature compensation range | Compensated temp range | -10~60℃ |
Operating temperature range | Operation temp range | -20-80℃ |
Safe overload | Safe overload | 150%F.S. |
Ultimate overload | Ultimate overload | 200%F.S. |
Protection level | Protection class | IP65 |
Wiring diagram |
![]() |
157071599@qq.com