● Static torque sensor
● Compact structure for easy installation
● Protection level:IP65
● Used for measuring static, non-continuous rotational torque values.
● Application areas: automobile assembly, automated assembly, 3C product testing, new energy product assembly, medical testing, robotics, mold assembly, and other industrial testing, measurement, and control systems.

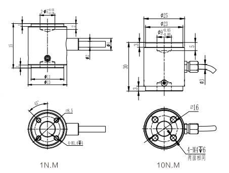
| Rated range | 1N.m, 10N.m | Insulation resistance | ≥5000MΩ/100VDC |
Output sensitivity | 1.0%±20%mV/V,1.0-1.5mV/V | Excitation voltage | 5V |
Zero output | ±3%mV/V | Maximum excitation voltage | 15V |
| Nonlinearity | 0.3-0.5%F.S. | Temperature compensation range | -10~40℃ |
| Hysteresis error | 0.3~0.5%F.S. | Operating temperature range | -20-90℃ |
| Repeatability | 0.2~0.5%F.S. | Safe overload | 150%F.S. |
| Creep (30 minutes) | 0.2~0.5%F.S. | Ultimate overload | 200%F.S. |
| Temperature coefficient of sensitivity drift | 0.05%F.S/10℃ | Protection | IP65 |
| Temperature coefficient of zero drift | 0.05%F.S/10℃ | Input resistance | 1100±20Ω |
Output resistance | 1000±10Ω | ||
Direction of force | Wiring method |
![]() | ![]() |
157071599@qq.com