● 5倍过载,高度低,变形量小,安装方便
● 拉压双向
● 主要用于推、拉力计,料斗秤、各种工业称重系统等
● 按键力测试,接触力的测试,汽车压装、自动化组装、3C产品测试、新能源产品组装、医疗检测、机器人领域,模具组装
● 应用领域:汽车压装、自动化组装、3C产品测试、新能源产品组装、医疗检测、机器人领域、模具组装及其他工业测试、测量及控制系统

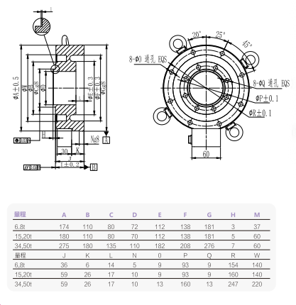
| 额定量程 | 见表格 | 绝缘电阻 | ≥5000MΩ/100VDC |
输出灵敏度 | 4-20mA/0-10V | 激励电压 | 24V |
零点输出 | ±3%F.S. | 温度补偿范围 | -10-40℃ |
| 非线性 | 0.5%F.S. | 工作温度范围 | -20-60℃ |
| 滞后误差 | 0.5%F.S. | 安全超载 | 150%F.S. |
| 重复性 | 0.5%F.S. | 极限超载 | 200%F.S. |
| 蠕变(30分钟) | 0.5%F.S. | 保护等级 | IP66 |
| 温度对灵敏度漂移 | 0.5%F.S./10℃ | 电缆尺寸 | Φ6x5m |
| 温度对零点漂移 | 0.5%F.S./10℃ | ||
受力方向 | 接线方式 |
![]() | ![]() |
138-9664-0316
187-2316-8761
157071599@qq.com
重庆两江新区水土街道京东方大道399号12幢
Company address:重庆两江新区水土街道京东方大道399号12幢