● 不锈钢材料
● 精度高,测量稳定可靠
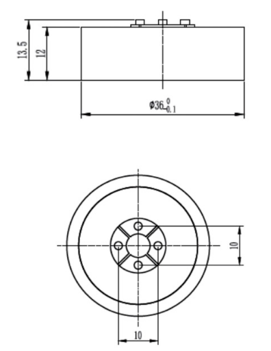
● 用于上下模,工装夹具等需要测试平行度场合
● 可定制多种规格
● 应用领域:汽车压装、自动化组装、3C产品测试、新能源产品组装、医疗检测、机器人领域、模具组装及其他工业测试、测量及控制系统

| 额定量程 | 50,100,200,500 N | 绝缘电阻 | ≥5000 MΩ / 100VDC |
| 灵敏度 | 0.5±20% mV/V | 激励电压 | 5V |
| 零点平衡 | ± 2% F.S. | 最大激励电压 | 10V |
| 非线性 | 0.05% F.S. | 温度补偿范围 | -10~60℃ |
| 滞后误差 | 0.05% F.S. | 工作温度范围 | -20~80℃ |
| 重复性 | 安全负载 (E L) | 150% F.S. | |
| 蠕变(30分钟) | 破坏负载 (E d) | 300% F.S. | |
| 温度对灵敏度漂移 | 0.05% F.S./ 10℃ | 电缆线尺寸 | φ3×3000 mm |
| 温度对零点漂移 | 0.05% F.S./ 10℃ | 材料 | |
| 输入电阻 | 350±10 Ω | 单件重量 | |
| 输出电阻 | 350±10 Ω | 保护等级 | IP66 |
受力方向 | 接线方式 |
![]() | ![]() |
138-9664-0316
187-2316-8761
157071599@qq.com
重庆两江新区水土街道京东方大道399号12幢
Company address:重庆两江新区水土街道京东方大道399号12幢