● 高度低,变形量小,外形尺寸小
● 不锈钢材料
● 防护等级:IP66,可定制
● 汽车压装、自动化组装、3C产品测试、新能源产品组装、医疗检测、机器人领域,模具组装及其他工业测试、测量及控制系统
● 动态响应频率高
● 应用领域:汽车压装、自动化组装、3C产品测试、新能源产品组装、医疗检测、机器人领域、模具组装及其他工业测试、测量及控制系统

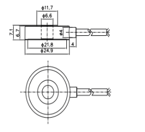
| 额定量程 | 50,100,200,500,1000N | 绝缘电阻 | ≥5000MΩ/100VDC |
| 输出灵敏度 | 1.5±20%mV/V | 激励电压 | 5-15V |
零点输出 | ±0.05mV/V | 最大激励电压 | 15 V |
非线性 | 0.50%F.S. | 温度补偿范围 | -10~60℃ |
| 滞后误差 | 0.20%F.S. | 工作温度范围 | -20-80℃ |
| 重复性 | 0.20%F.S. | 安全载荷 | 150%F.S. |
| 蠕变(30分钟) | 0.20%F.S. | 破坏负载 | 200%F.S. |
| 温度对灵敏度漂移 | 0.05%F.S./10℃ | 电缆线尺寸 | φ3×4000mm |
| 温度对零点漂移 | 0.05%F.S./10℃ | 单件重量 | 0.1kg |
| 输入电阻 | 700±20Ω | 材料 | (不锈钢) |
| 输出电阻 | 700±10Ω | 保护等级 | IP66 |
受力方向 | 接线方式 |
![]() | ![]() |