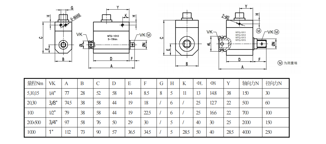
● 电阻应变为敏感元件和集成电路构成的一体产品,通过电刷实现供电与信号输出
● 中低量程扭矩测量。可测量正反两方向扭矩值
● 两端为轴键连接,安装使用方便,转速可达1800转/分
● 应用领域:汽车压装、自动化组装、3C产品测试、新能源产品组装、医疗检测、机器人领域、模具组装及其他工业测试、测量及控制系统

额定容量 | 5,10,20,50,100,200,300,500,1000Nm | 输出电阻 | 350,700±5Ω |
输出灵敏度 | 1.5±10%mV/V | 激励电压 | 10VDC(9-15VDC) |
零点输出 | ±1%F.S. | 绝缘电阻 | ≥5000MΩ/100VDC |
| 非线性 | ±0.1,0.3%F.S. | 温度补偿范围 | -10~60℃ |
| 滞后误差 | ≤±0.05%F.S. | 工作温度范围 | -20~65℃ |
| 重复性 | ≤±0.05%F.S. | 安全超载 | 150%F.S. |
| 蠕变(30分钟) | ≤±0.03%F.S/30min | 极限超载 | 200%F.S. |
| 温度对灵敏度漂移 | 0.03%F.S./10℃ | 保护等级 | IP67 |
| 温度对零点漂移 | 0.03%F.S./10℃ | 电缆线尺寸 | Φ5.2×3m |
| 输入电阻 | 350,750±10Ω | ||
接线方式 |
![]() ![]() |