● 高度低,变形量小,外形尺寸小
● 不锈钢材料,可定制高温
● 防护等级:IP68,可定制
●汽车压装、自动化组装、3C产品测试、新能源产品组装、医疗检测、机器人领域,模具组装及其他工业测试、测量及控制系统
●动态响应频率高
● 应用领域:汽车压装、自动化组装、3C产品测试、新能源产品组装、医疗检测、机器人领域、模具组装及其他工业测试、测量及控制系统

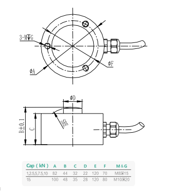
| 额定量程 | 1,2.5,5,7.5,15t | 绝缘电阻 | ≥5000MΩ/100VDC |
| 输出灵敏度 | 2.0±0.1%mV/V | 激励电压 | 5-15V |
零点输出 | ±0.05mV/V | 最大激励电压 | 15 V |
非线性 | 0.03%F.S. | 温度补偿范围 | -10-60℃ |
| 滞后误差 | 0.03%F.S. | 工作温度范围 | -20~80℃ |
| 重复性 | 0.02%F.S. | 安全超载 | 150%F.S. |
| 蠕变(30分钟) | 0.05%F.S. | 极限超载 | 300%F.S. |
| 温度对灵敏度漂移 | 0.03%F.S/10℃ | 电缆线尺寸 | φ5×4000mm |
| 温度对零点漂移 | 0.03%F.S/10℃ | 材料 | Stainless Steel(不锈钢) |
| 输入电阻 | 780±20Ω | 保护等级 | IP68 |
| 输出电阻 | 700±10Ω | ||
受力方向 | 接线方式 |
![]() | ![]() |