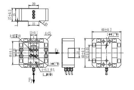
●精度高、抗偏载能力强;
● 容易安装,IP66;
● 接受定制规格;
● 机器手臂精密控制、曲面研磨抛光,加工中心精雕加工、医疗设备精密测试;
● 应用领域:汽车压装、自动化组装、3C产品测试、新能源产品组装、医疗检测、机器人领域、模具组装及其他工业测试、测量及控制系统

| 额定量程 | Fx=Fy=5,10,20,30,50kg Fz=10,20,50,75,100kg | 绝缘电阻 | ≥2000MΩ/50VDC |
| 输出灵敏度 | 1±20mV/V | 激励电压 | 5-12V |
零点输出 | ±0.05mV/V | 最大激励电压 | 15V |
| 非线性 | 0.5%F.S. | 温度补偿范围 | -10-60℃ |
| 滞后误差 | 0.5%F.S. | 工作温度范围 | -20-80℃ |
| 重复性 | 0.5%F.S. | 安全超载 | 150%F.S. |
| 蠕变(30分钟) | 0.3%F.S. | 极限超载 | 200%F.S. |
| 温度对灵敏度漂移 | 0.05%F.S./10℃ | 电缆线尺寸 | 3-Φ2×2m |
零点温度漂移 | 0.05%F.S./10℃ | 保护等级 | IP66 |
| 输入电阻 | 780±20Ω | 输出电阻 | 700±10Ω |
受力方向 | 接线方式 |
![]() | ![]() |