● 并联机构设计,耦合低;
● 高质铝合金和17-4PH不锈钢两个大类,强度高;
● 内部数字解耦,抗干扰能力强
● 应用领域:汽车压装、自动化组装、3C产品测试、新能源产品组装、医疗检测、机器人领域、模具组装及其他工业测试、测量及控制系统

| 受力特征 | 单位 | A1 | A2 | C1 | C2 | C3 | D1 | D2 | D3 |
| 力 Fxy | N | 150 | 300 | 750 | 1000 | 1500 | 2000 | 2500 | 3000 |
| 力 Fz | N | 350 | 700 | 1800 | 2400 | 3600 | 5000 | 6000 | 7350 |
| 力矩 Mxy | N-m | 4 | 6 | 18 | 24 | 35 | 35 | 60 | 70 |
| 力矩 Mz | N-m | 10 | 18 | 48 | 64 | 95 | 125 | 160 | 190 |
| 品名 | Fz 主分量 | Fx,Fy | Mx 主分量 | Mx、My |
| 综合精度(%F.S.) | 0.1 | 0.1 | 0.1 | 0.1 |
| 重复性(%F.S.) | 0.1 | 0.1 | 0.2 | 0.2 |
| 线性度(%F.S.) | 0.05 | 0.05 | 0.35 | 0.35 |
| 滞后(%F.S.) | 0.1 | 0.1 | 0.3 | 0.3 |
| 回零误差(%F.S.) | 0.1 | 0.1 | 0.1 | 0.1 |
| 零点平衡(%F.S.) | 0.1 | 0.1 | 0.1 | 0.1 |
| 零点漂移(%F.S.) /30 min | 0.1 | 0.1 | 0.1 | 0.1 |
备注:
1,使用单位默认为上表所示,可根据客户需要更改;
2,不同规格的量程可根据需要定制;
| 过载能力 | 铝制 | 17-4 不锈钢 |
| Fxy | 200% | 200% |
| Fz | 200% | 200% |
| Mxy | 200% | 200% |
| Mz | 200% | 200% |
| 刚度(计算) | 铝制 | 17-4 不锈钢 |
| X向&Y向力(Kx,Ky) | 3.4x106 N/m | 3.4x106 N/m |
| Z向力(Kz) | 1.3x107 N/m | 1.3x107 N/m |
| X向&Y向力矩(Kmx,Kmy) | 2.7x103 N/m | 2.7x103 N/m |
| Z向力矩(Kmz) | 1.1x104 N/m | 1.1x104 N/m |
备注:
1,过载能力和刚度可根据要求制作;
2,输出分辨率为0.1%,提供EtherCAT和Ethernet两种通讯方式,可以直接读取数据,采样频率1kHz。
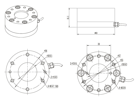
受力方向 | 接线方式 |
![]() | ![]() |
138-9664-0316
187-2316-8761
157071599@qq.com
重庆两江新区水土街道京东方大道399号12幢
Company address:重庆两江新区水土街道京东方大道399号12幢