tel187-2316-8761

您所在位置:首页 > 产品中心 > 传感器 > 拉压向传感器

T327 拉压双向测力传感器

所属分类:拉压向传感器

T327 用于测量拉伸力和压缩力。合金钢/不锈钢材质。该传感器可在需要拉伸和压缩力测量的各种应用中提供快速测量。

特点和用途

● 高度低、变形量小、安装方便;

● 拉压双向;

● 主要用于推、拉力计、料斗秤、各种工业称重系统等;

● 汽车压装、自动化组装、3C产品测试、新能源产品组装、医疗检测、机器人领域、模具组装

● 应用领域:汽车压装、自动化组装、3C产品测试、新能源产品组装、医疗检测、机器人领域、模具组装及其他工业测试、测量及控制系统

 


 

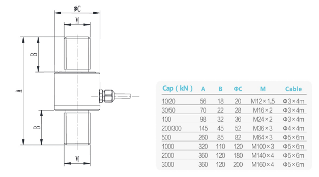
安装尺寸

T326 拉压双向测力传感器 1.png


 

参数表

额定量程10,20,30,50,100,200,350,500,
1000,2000 kN
绝缘电阻≥5000 MΩ / 100VDC
灵敏度1.5±10% mV/V 激励电压5~15V
零点平衡0.05% F.S.最大激励电压20V
非线性0.1% F.S.温度补偿范围-10~40℃
滞后误差0.1% F.S.工作温度范围-20~70℃
重复性0.05% F.S.安全负载 (E L)150% F.S.
蠕变(30分钟)0.05% F.S.破坏负载 (E d)200% F.S.
温度对灵敏度漂移0.05% F.S./ 10℃电缆线尺寸
温度对零点漂移0.05% F.S./ 10℃材料合金钢
输入电阻780±20 Ω/385±20Ω单件重量 (G)
输出电阻700±10 Ω/350±10Ω保护等级IP66

 


 

受力方向

接线方式

T326 拉压双向测力传感器 2.pngT326 拉压双向测力传感器 3.png




填写您的意向信息

GET IN TOUCH

请与我们取得联系

187-2316-8761

重庆两江新区水土街道京东方大道399号12幢

157071599@qq.com


Copyright © 2023 重庆埃森克测控技术有限公司 版权所有    技术支持:镁诚科技    备案号:渝ICP备2023008303号    站点地图

companyweixin
请与我们联系