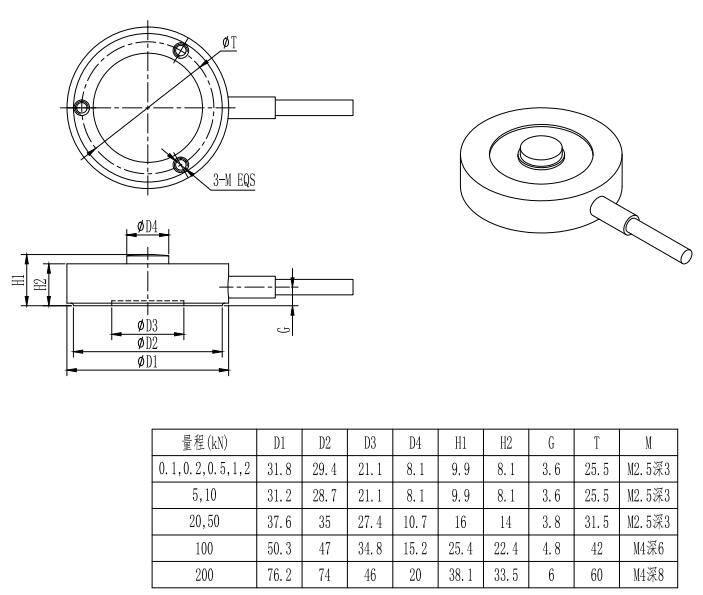
● 轮辐式传感器;
● 合金钢 / 不锈钢材料;
● 拉压双向;
● 用于试验机、汽车衡、料斗秤、各种工业称重系统;
● 可定制其他量程;
● 可作为计量用的测量标准源
● 应用领域:汽车压装、自动化组装、3C产品测试、新能源产品组装、医疗检测、机器人领域、模具组装及其他工业测试、测量及控制系统

| 额定量程 | 0.5,1,2,3,5,10,20,30,50 T | 绝缘电阻 | ≥5000 MΩ / 100VDC |
| 灵敏度 | 2.0±10% mV/V | 激励电压 | 5V |
| 零点平衡 | ±1% F.S. | 最大激励电压 | 15V |
| 非线性 | 0.03% F.S. | 温度补偿范围 | -10~40℃ |
| 滞后误差 | 0.03% F.S. | 工作温度范围 | -10~70℃ |
| 重复性 | 0.02% F.S. | 安全负载 (E L) | 150% F.S. |
| 蠕变(30分钟) | 0.03% F.S. | 破坏负载 (E d) | 200% F.S. |
| 温度对灵敏度漂移 | 0.02% F.S./ 10℃ | 电缆线尺寸 | |
| 温度对零点漂移 | 0.02% F.S./ 10℃ | 材料 | |
| 输入电阻 | 780±20 Ω | 单件重量 (G) | |
| 输出电阻 | 700±10 Ω | 保护等级 | IP67 |
受力方向 | 接线方式 |
![]() | ![]() |