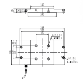
●高度低,变形量小;
● 优质合金钢材料;
● 防护等级:IP66,可定制;
● 适用于各种小空间的测力,广泛应用于工业、研发等领域的测量和控制;
● 应用领域:汽车压装、自动化组装、3C产品测试、新能源产品组装、医疗检测、机器人领域、模具组装及其他工业测试、测量及控制系统

| 额定量程 | 30t | 绝缘电阻 | ≥5000MΩ/1000VDC |
| 输出灵敏度 | 1.5±20%mV/V | 激励电压 | 5V |
零点输出 | ±2%mV/V | 最大激励电压 | 15V |
| 非线性 | 1%F.S. | 温度补偿范围 | -10-40℃ |
| 滞后误差 | 1%F.S. | 工作温度范围 | -20-60℃ |
| 重复性 | 0.5%F.S. | 安全超载 | 150F.S. |
| 蠕变(30分钟) | 0.2%F.S. | 极限超载 | 200%F.S. |
| 温度对灵敏度漂移 | 0.01%F.S/10℃ | 电缆线尺寸 | Φ5×10m |
零点温度漂移 | 0.01%F.S/10℃ | 保护等级 | IP66 |
| 输入电阻 | 780±20Ω | 输出电阻 | 700±20Ω |
受力方向 | 接线方式 |
![]() | ![]() |