● 精度高、抗偏载能力强;
● 容易安装,可接受定制规格;
● 汽车档位测试、流体力学试验测量;
● 汽车压装、自动化组装、3C产品测试、新能源产品组装、医疗检测、机器人领域,模具组装及其他工业测试、测量及控制。
● 应用领域:汽车压装、自动化组装、3C产品测试、新能源产品组装、医疗检测、机器人领域、模具组装及其他工业测试、测量及控制系统。

| 额定量程 | X:100/200/500/1000 Y:100/200/500/1000 | 输出电阻 | 700±10 Ω |
| 互扰误差 | 0.3% F.S. | 绝缘电阻 | ≥5000 MΩ / 100VDC |
| 灵敏度 | 1.0~1.5 mV/V | 激励电压 | 5~12 V |
| 零点平衡 | ±2% F.S. | 最大激励电压 | 15 V |
| 非线性 | 0.1% F.S. | 温度补偿范围 | -10〜40℃ |
| 滞后误差 | 0.1% F.S. | 工作温度范围 | -20〜75℃ |
| 重复性 | 0.1% F.S. | 安全负载 | 150% F.S. |
| 蠕变(30分钟) | 0.1% F.S. | 破坏负载 | 200% F.S. |
| 温度对灵敏度漂移 | 0.1% F.S. / 10℃ | 电缆线尺寸 | φ3×4000 mm |
| 温度对零点漂移 | 0.1% F.S. / 10℃ | 单件重量 | 0.8 kg |
| 输入电阻 | 785±20 Ω | 保护等级 | IP66 |
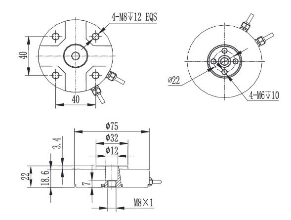
受力方向 | 接线方式 |
![]() | ![]() |