● 高精度,高稳定性,超小量程,铝合金材料;
● 精度高、抗偏载能力强;
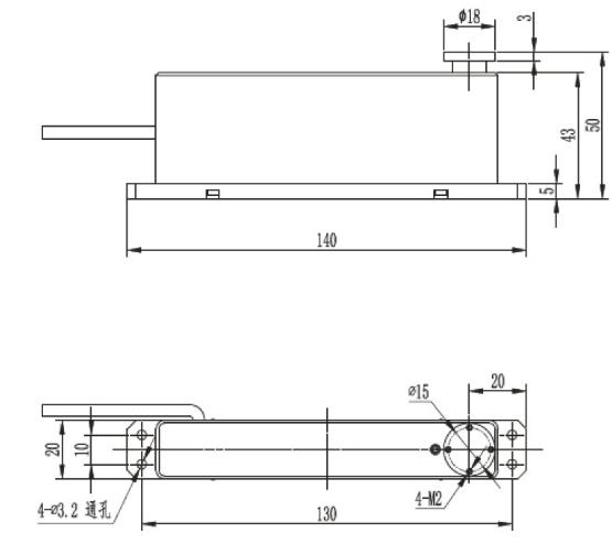
● 容易安装、IP65;
● 适用于超微测试,医药检测,点胶量检测,电子秤、计数秤、电子天平及各种工业称重系统等。
● 应用领域:汽车压装、自动化组装、3C产品测试、新能源产品组装、医疗检测、机器人领域、模具组装及其他工业测试、测量及控制系统

| 额定量程 | 5,10,20,50,80g | 绝缘电阻 | ≥5000 MΩ / 100VDC |
| 灵敏度 | 1mg,可定制0.1mg | 激励电压 | 10 V |
| 零点平衡 | 1.8~2.0 mV/V | 最大激励电压 | 15 V |
| 非线性 | ±0.1 mV/V | 温度补偿范围 | -10〜40℃ |
| 滞后误差 | 0.015% F.S. | 工作温度范围 | -10〜50℃ |
| 重复性 | 0.015% F.S. | 安全负载 (E L) | 150% F.S. |
| 蠕变(30分钟) | 0.01% F.S. | 破坏负载 (E d) | 300% F.S. |
| 温度对灵敏度漂移 | 0.02% F.S. / 10℃ | 电缆线尺寸 | φ4×350 mm |
| 温度对零点漂移 | 0.05% F.S. / 10℃ | 材料 | 0.18 kg |
| 输入电阻 | 405±20 Ω | 单件重量 (G) | Aluminum Alloy(铝合金) |
| 输出电阻 | 350±5 Ω | 保护等级 | IP65 |
受力方向 | 接线方式 |
![]() | ![]() |